- Технические характеристики и другая информация предоставляются для справки.
- Чертежи и изображения представлены для ознакомления
Подшипник роликовый упорный K 81220-TV
Подшипник роликовый упорный K81220-TV поставляется в разборном исполнении, благодаря чему процесс монтажа и демонтажа в значительной степени облегчен. Имеет латунный, полиамидный или алюминиевый сепаратор, может идти без шин. Сдвоенные варианты обеспечивают прочный крепеж вала.
Чем характеризуется Подшипник роликовый упорный K81220-TV?
- Создан для эксплуатации в узлах, подвергающихся нагрузкам осевого типа, и может монтироваться только на вертикальных валах.
- Обладает более широкой зоной передачи усилий в сравнении с шарикоподшипниковыми аналогами, однако предназначен исключительно для работы с малыми скоростями вращения.
- Нуждается в периодическом техобслуживании из-за более высокого сопротивления скольжению подшипниковых тел, для чего на поверхности корпуса имеется специальной смазочное отверстие для доставки смазки внутрь.
- Отличается малыми габаритами, что позволяет устанавливать его в местах с ограниченным пространством.
- Отвечает уровню качества отечественных ГОСТов 29242-91, 23526-79, 27057-86 и стандартам ИСО международного уровня.
Желаете купить Подшипник роликовый упорный K81220-TV ГОСТ или его (аналог ISO), также прочие надежные изделия FAG, KOYO, NSK, SKF, SNR в нашем магазине!
Технические характеристики
Обозначение : K81220-TV
Размеры, мм : 100x150x15
Производитель : INA
Диаметр внутренний, мм : 100
Диаметр наружный, мм : 150
Высота, мм : 15
Технические данные из каталога производителя :
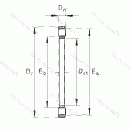
Dc1 - 100 mm
Dc - 150 mm
Dw - 15 mm
Ea - 142 mm
Eb - 107 mm
m - 0,6 kg / Вес
Ca - 340000 N / динамическая грузоподъемность, осевая
C0a - 1080000 N / статическая грузоподъемность, осевая
Cua - 111000 N / нагрузка предела усталости
nG - 2300 1/min / Предельная частота вращения
nB - 840 1/min / Базовая тепловая частота вращения
- GS81220 / пригодное свободное кольцо
- WS81220 / пригодное тугое кольцо
одностороннего действия, сочетаемы с кольцами упорных подшипников
| 
																Производитель
															 | INA | 
| 
																Ширина B
															 | 15 | 
| 
																Внешний диаметр D
															 | 150 | 
| 
																Внутренний диаметр d
															 | 100 | 
| 
																Размер
															 | 100x150x15 | 
| 
																Вес, кг
															 | 0.6 | 
| 
																Модель
															 | K81220-TV-INA | 
| 
																SKU
															 | K81220-TV-INA | 
| 
																Dw диаметр ролика
															 | 15 mm | 
Похожие по размеру
Оформить заказ на нашем сайте легко. Просто добавьте выбранные товары в корзину, а затем перейдите на страницу Корзина, проверьте правильность заказанных позиций и нажмите кнопку «Оформить заказ» или «Быстрый заказ».
Функция «Быстрый заказ» позволяет покупателю не проходить всю процедуру оформления заказа самостоятельно. Вы заполняете форму, и через короткое время вам перезвонит менеджер магазина. Он уточнит все условия заказа, ответит на вопросы, касающиеся качества товара, его особенностей. А также подскажет о вариантах оплаты и доставки.
По результатам звонка, пользователь либо, получив уточнения, самостоятельно оформляет заказ, укомплектовав его необходимыми позициями, либо соглашается на оформление в том виде, в котором есть сейчас. Получает подтверждение на почту или на мобильный телефон и ждёт доставки.
Если вы уверены в выборе, то можете самостоятельно оформить заказ, заполнив по этапам всю форму.
Выберите из списка название вашего региона и населённого пункта. Если вы не нашли свой населённый пункт в списке, выберите значение «Другое местоположение» и впишите название своего населённого пункта в графу «Город». Введите правильный индекс.
	 В зависимости от места жительства вам предложат варианты доставки. Выберите любой удобный способ. 
	
	Оплата
Выберите оптимальный способ оплаты.
Введите данные о себе: ФИО, адрес доставки, номер телефона. В поле «Комментарии к заказу» введите сведения, которые могут пригодиться курьеру, например: подъезды в доме считаются справа налево.
Проверьте правильность ввода информации: позиции заказа, выбор местоположения, данные о покупателе. Нажмите кнопку «Оформить заказ».
Наш сервис запоминает данные о пользователе, информацию о заказе и в следующий раз предложит вам повторить к вводу данные предыдущего заказа. Если условия вам не подходят, выбирайте другие варианты.

 
                                            
                                        