- Технические характеристики и другая информация предоставляются для справки.
- Чертежи и изображения представлены для ознакомления
Подшипник игольчатый упорный AXK 1114
Подшипник игольчатый упорный AXK1114 включает в себя тела качения в форме игл, а также внешнее и внутреннее кольцо, которые могут быть как обычными, так и толстостенными. Роликоподшипник в зависимости от эксплуатационных целей, бывает комбинированным, радиальным или упорным, способным к работе с однонаправленными нагрузками осевого типа. Сепаратор может присутствовать или отсутствовать, равно как и одна из обойм, которую можно приобретать и устанавливать отдельно. Сепараторная часть выполняется из штампованной стали или стеклонаполненного полиамида. Существуют варианты системы без обойм или с одной утолщенной шиной.
Чем характеризуется Подшипник игольчатый упорный AXK1114?
- Отличается сниженным кромочным напряжением за счет модификации контакта подшипниковых тел с дорожками качения.
- Обладает увеличенной грузоподъемностью и повышенным сроком службы за счет низкого коэффициента трения и малого износа.
- Отвечает требованиям качества международного уровня ИСО, отечественным ГОСТам, азиатским и американским нормативам производства.
Наши сотрудники помогут вам приобрести по удачной стоимости Подшипник игольчатый упорный AXK1114 ГОСТ или его (аналог ISO) при желании, мы также можем предложить подшипники марок FAG, KOYO, NSK, SKF, SNR онлайн!
Технические характеристики
Обозначение : AXK1114
Размеры, мм : 70x95x4
Производитель : NTN
Диаметр внутренний, мм : 70
Диаметр наружный, мм : 95
Высота, мм : 4
Технические данные из каталога производителя :
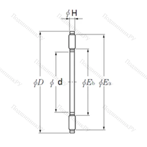
Внутренний диаметр (d) - 70 мм.
Наружный диаметр (D) - 95 мм.
Высота (H) - 4 мм.
Размер (Ea) - 91,4
Размер (Eb) - 75,5
Масса - 0,06 Кг
Грузоподъемность динамическая (C) - 53,5 кН
Грузоподъемность статическая (C0) - 253 кН
Частота вращения предельная при пластичной смазке - 750 об/мин
Частота вращения предельная при жидкой смазке - 2900 об/мин
Количество дорожек качения - 1
Уплотнение - Нет
|
Производитель
|
NTN |
|
Ширина B
|
4 |
|
Внешний диаметр D
|
95 |
|
Внутренний диаметр d
|
70 |
|
Размер
|
70x95x4 |
|
Вес, кг
|
0.06 |
|
Модель
|
AXK1114-NTN |
|
SKU
|
AXK1114-NTN |
Похожие по размеру
Оформить заказ на нашем сайте легко. Просто добавьте выбранные товары в корзину, а затем перейдите на страницу Корзина, проверьте правильность заказанных позиций и нажмите кнопку «Оформить заказ» или «Быстрый заказ».
Функция «Быстрый заказ» позволяет покупателю не проходить всю процедуру оформления заказа самостоятельно. Вы заполняете форму, и через короткое время вам перезвонит менеджер магазина. Он уточнит все условия заказа, ответит на вопросы, касающиеся качества товара, его особенностей. А также подскажет о вариантах оплаты и доставки.
По результатам звонка, пользователь либо, получив уточнения, самостоятельно оформляет заказ, укомплектовав его необходимыми позициями, либо соглашается на оформление в том виде, в котором есть сейчас. Получает подтверждение на почту или на мобильный телефон и ждёт доставки.
Если вы уверены в выборе, то можете самостоятельно оформить заказ, заполнив по этапам всю форму.
Выберите из списка название вашего региона и населённого пункта. Если вы не нашли свой населённый пункт в списке, выберите значение «Другое местоположение» и впишите название своего населённого пункта в графу «Город». Введите правильный индекс.
В зависимости от места жительства вам предложат варианты доставки. Выберите любой удобный способ.
Оплата
Выберите оптимальный способ оплаты.
Введите данные о себе: ФИО, адрес доставки, номер телефона. В поле «Комментарии к заказу» введите сведения, которые могут пригодиться курьеру, например: подъезды в доме считаются справа налево.
Проверьте правильность ввода информации: позиции заказа, выбор местоположения, данные о покупателе. Нажмите кнопку «Оформить заказ».
Наш сервис запоминает данные о пользователе, информацию о заказе и в следующий раз предложит вам повторить к вводу данные предыдущего заказа. Если условия вам не подходят, выбирайте другие варианты.
