- Технические характеристики и другая информация предоставляются для справки.
- Чертежи и изображения представлены для ознакомления
Подшипники шариковые радиальные однорядные 6016
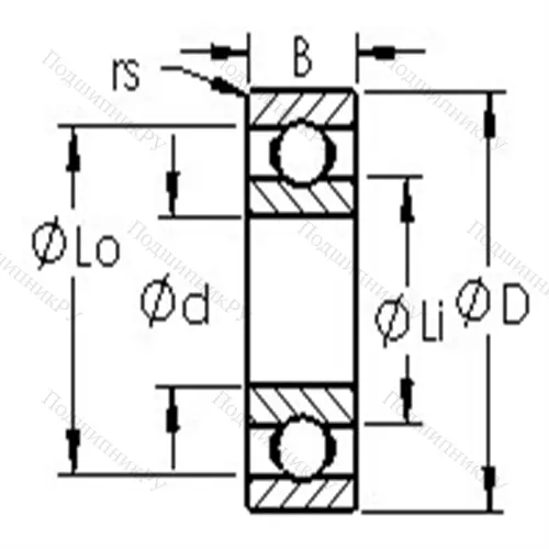
Подшипники шариковые радиальные однорядные 6016 его строение включает в себя наружную шину, тела качения, сепаратор из штампованной стали, латуни или полиамида, центрирующийся по шарикам либо бортикам внешнего кольца. Устройство является неразборным и полностью готово к монтажу. Существуют также обслуживаемые и необслуживаемые варианты (в первом случае в корпусе детали имеется специальное смазочное отверстие, через которое происходит подача смазки, расходуемой в процессе работы). Закрытые модели дополнительно усилены уплотняющими шайбами или уплотнениями и не требуют обслуживания. В изделии также могут присутствовать узкие, широкие и средние зазоры.
Каковы характерные особенности Подшипники шариковые радиальные однорядные 6016?
- Рассчитан на восприятие серьезных аксиальных и незначительных осевых нагрузок.
- Обладает низким коэффициентом трения, за счет чего возможно вращение на максимально допустимых скоростях и более длительный срок эксплуатации в сравнении с аналогами.
- Отличается высокой грузоподъемностью и склонностью к самоцентрированию, что дает возможность выравнивать перекосы во время монтажа.
Приобретайте выгодно Подшипники шариковые радиальные однорядные 6016 ГОСТ или его (аналоги ISO), а также иную продукцию от мировых промышленных брендов FAG, KOYO, NSK, SKF, SNR на нашем веб-сайте!
Технические характеристики
Обозначение : 6016
Размеры, мм : 80x125x22
Производитель : AST
Диаметр внутренний, мм : 80
Диаметр наружный, мм : 125
Высота, мм : 22
Технические данные из каталога производителя :
(размеры в мм)
Bearing Type - Open
Bore Dia (d) - 80.0000
Outer Dia (D) - 125.0000
Width (B) - 22.0000
Radius (min) (rs) - 1.100
Dynamic Load Rating (Cr) - 47,600
Static Load Rating (Cor) - 39,800
Max Speed (Grease) (X1000 RPM) - 5
Max Speed (Oil) (X1000 RPM) - 6
Max. Shaft Shoulder Dia. Inner (Li) - 91.0
Min. Housing Shoulder Dia., Outer (Lo) - 118.5
Ball Qty - 14
Ball Dia (Dw) - 13.4940
Weight (g) - 854.00
Precision - A1
Standard Clearance - C0
Material - 52100 Chrome steel (or equivalent)
ABEC Grades 1, 3, 5, 7, and 9 are available.
| 
																Производитель
															 | AST | 
| 
																Ширина B
															 | 22 | 
| 
																Внешний диаметр D
															 | 125 | 
| 
																Внутренний диаметр d
															 | 80 | 
| 
																Размер
															 | 80x125x22 | 
| 
																Вес, кг
															 | 854.00 | 
| 
																Модель
															 | 6016-AST | 
| 
																SKU
															 | 6016-AST | 
| 
																Dw диаметр ролика
															 | 13.4940 | 
Похожие по размеру
Оформить заказ на нашем сайте легко. Просто добавьте выбранные товары в корзину, а затем перейдите на страницу Корзина, проверьте правильность заказанных позиций и нажмите кнопку «Оформить заказ» или «Быстрый заказ».
Функция «Быстрый заказ» позволяет покупателю не проходить всю процедуру оформления заказа самостоятельно. Вы заполняете форму, и через короткое время вам перезвонит менеджер магазина. Он уточнит все условия заказа, ответит на вопросы, касающиеся качества товара, его особенностей. А также подскажет о вариантах оплаты и доставки.
По результатам звонка, пользователь либо, получив уточнения, самостоятельно оформляет заказ, укомплектовав его необходимыми позициями, либо соглашается на оформление в том виде, в котором есть сейчас. Получает подтверждение на почту или на мобильный телефон и ждёт доставки.
Если вы уверены в выборе, то можете самостоятельно оформить заказ, заполнив по этапам всю форму.
Выберите из списка название вашего региона и населённого пункта. Если вы не нашли свой населённый пункт в списке, выберите значение «Другое местоположение» и впишите название своего населённого пункта в графу «Город». Введите правильный индекс.
	 В зависимости от места жительства вам предложат варианты доставки. Выберите любой удобный способ. 
	
	Оплата
Выберите оптимальный способ оплаты.
Введите данные о себе: ФИО, адрес доставки, номер телефона. В поле «Комментарии к заказу» введите сведения, которые могут пригодиться курьеру, например: подъезды в доме считаются справа налево.
Проверьте правильность ввода информации: позиции заказа, выбор местоположения, данные о покупателе. Нажмите кнопку «Оформить заказ».
Наш сервис запоминает данные о пользователе, информацию о заказе и в следующий раз предложит вам повторить к вводу данные предыдущего заказа. Если условия вам не подходят, выбирайте другие варианты.

 
                                            
                                        